Profilová rada 40 - I drážka 8
Rozširujeme ponuku o modulovú radu 40-I s drážkou 8. Profily sú kompatibilné s ostatnými konštrukčnými systémami


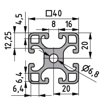
Skladové číslo |
lx (cm4) |
ly (cm4) |
Wx (cm3) |
Wy (cm3) |
Q (kg/m) |
| 174040 | 14,24 | 14,24 | 7,12 | 7,12 | 2,517 |


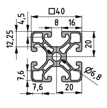
Skladové číslo |
lx (cm4) |
ly (cm4) |
Wx (cm3) |
Wy (cm3) |
Q (kg/m) |
| 174040L | 9,26 | 9,26 | 4,63 | 4,63 | 1,78 |


Skladové číslo |
lx (cm4) |
ly (cm4) |
Wx (cm3) |
Wy (cm3) |
Q (kg/m) |
| 174040E | 7,58 | 7,58 | 3,79 | 3,79 | 1,4 |


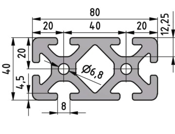
Skladové číslo |
lx (cm4) |
ly (cm4) |
Wx (cm3) |
Wy (cm3) |
Q (kg/m) |
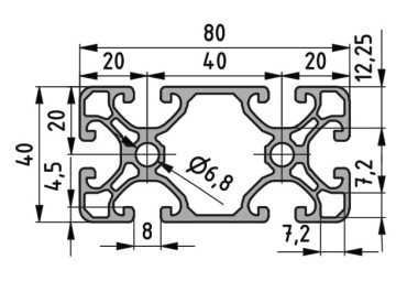
| 174080 | 27,38 | 102,69 | 13,69 | 25,67 | 4,6 |


Skladové číslo |
lx (cm4) |
ly (cm4) |
Wx (cm3) |
Wy (cm3) |
Q (kg/m) |
| 174080L | 17,07 | 70,91 | 8,54 | 17,73 | 3,1 |


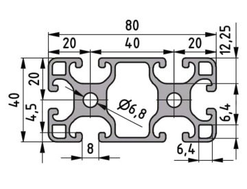
Skladové číslo |
lx (cm4) |
ly (cm4) |
Wx (cm3) |
Wy (cm3) |
Q (kg/m) |
| 174080E | 16 | 59,67 | 8 | 14,92 | 2,47 |

