Zmena profilov v radoch 30/8 a 40/10
Sme jediným českým výrobcom hliníkových konštrukčných systémov s tradíciou 25 rokov. Objavte šírku možností jeho využitia.

Zoznam zmenených profilov:
103038, 103068, 106068, 164040, 164040L, 164080L
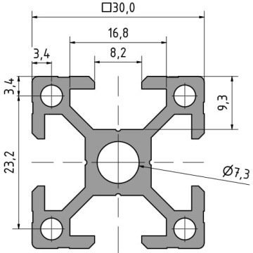
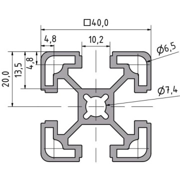
103038
NOVÝ
STARÝ


| lx (cm4) | 2,9 |
| ly (cm4) | 2,9 |
| Wx (cm3) | 1,93 |
| Wy (cm3) | 1,93 |
| Q (kg/m) |
0,685 |
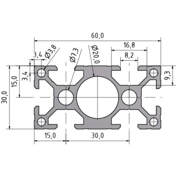
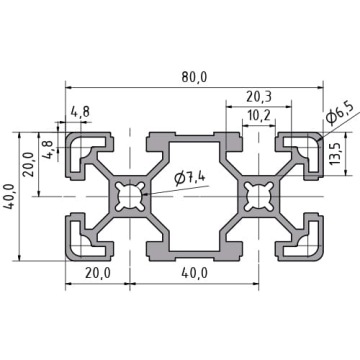
103068
NOVÝ
STARÝ


| lx (cm4) | 5 |
| ly (cm4) | 19,6 |
| Wx (cm3) | 3,3 |
| Wy (cm3) | 6,5 |
| Q (kg/m) | 1,491 |
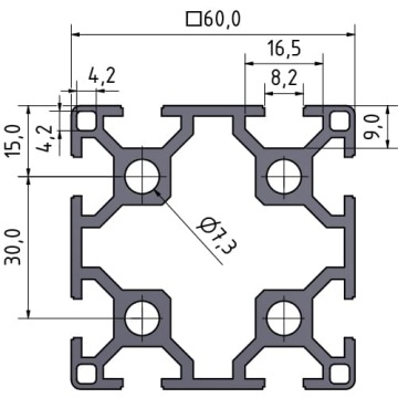
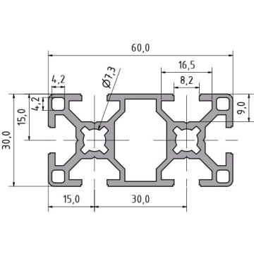
106068
NOVÝ
STARÝ


| lx (cm4) | 36.8 |
| ly (cm4) | 36.8 |
| Wx (cm3) | 12.3 |
| Wy (cm3) | 12.3 |
| Q (kg/m) | 2.720 |
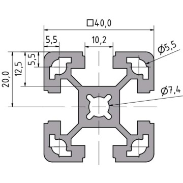
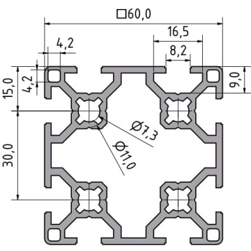
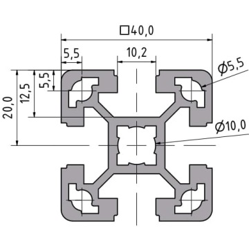
164040
NOVÝ
STARÝ


| lx (cm4) | 10,3 |
| ly (cm4) | 10,3 |
| Wx (cm3) | 5,15 |
| Wy (cm3) | 5,15 |
| Q (kg/m) | 1,685 |
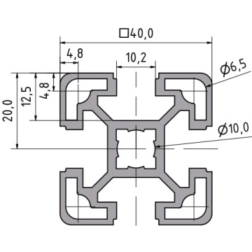
164040L
NOVÝ
STARÝ


| lx (cm4) | 7,8 |
| ly (cm4) | 7,8 |
| Wx (cm3) | 3,9 |
| Wy (cm3) | 3,9 |
| Q (kg/m) | 1,39 |
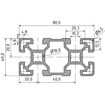
164080L
NOVÝ
STARÝ


| lx (cm4) | 15,9 |
| ly (cm4) | 57,1 |
| Wx (cm3) | 7,95 |
| Wy (cm3) | 14,28 |
| Q (kg/m) | 2,534 |
Katalógy profilov
a príslušenstva
On-line nástroje pre zjednodušenie a efektívnu prácu
s naším hliníkovým konštrukčným systémom.
Odborná
konzultácia
Naši profesionálni technicko-obchodní zástupcovia
radi zodpovedia všetky vaše otázky.



















